Ò»¡¢¿Õѹ»úÊÂÇéÔÀí¼òÊö
ij´óÐͽðÊôÖÆÆ·³§ÓÐÉϺ£Ó¢¸ñË÷À¼¹«Ë¾Éú²úµÄµ¥¼¶Ñ¹ËõÂݸËʽ¿ÕÆøÑ¹Ëõ»ú£¨ÒÔϼò³Æ¿Õѹ»ú£©4 ̨£¬Òò²úƷתÐÍ£¬ÓÃÓîÁ¿ïÔÌ£¬¾ÓÉÏÖ³¡ÊÓ²ìºÍ²âÊÔ£¬ÒÔΪ±£´æ½ÏÁ¿´óµÄ½ÚÄܿռ䣬Ëì¾ÙÐнÚÄÜˢС£¸Ã¿Õѹ»úÊÂÇéÔÀíÊÇÓÉÒ»¶ÔÏ໥ƽÐÐÄöºÏµÄÒõÑôת×Ó ( »ò³ÆÂÝ¸Ë ) ÔÚÆø¸×ÄÚת¶¯ , ʹת×ӳݲÛÖ®¼äµÄ¿ÕÆøÒ»Ö±µØ±¬·¢ÖÜÆÚÐÔµÄÈÝ»ýת±ä , ¿ÕÆøÔòÑØ×Åת×ÓÖáÏßÓÉÎüÈë²àÔËËÍÖÁÊä³ö²à , ʵÏÖÂݸËʽ¿Õѹ»úµÄÎüÆø¡¢Ñ¹ËõºÍÅÅÆøµÄÈ«Àú³Ì¡£¿Õѹ»úµÄ½øÆø¿ÚºÍ³öÆø¿Ú»®·ÖλÓÚ¿ÇÌåµÄÁ½Í· , Òõת×ӵIJÛÓëÑôת×ÓÄö±»Ö÷µç»úÇý¶¯¶øÐýת¡£
Ô¿Õѹ»úµÄÖ÷µç»ú¹¦ÂÊΪ 75kW Á½Ì¨£¬90kWÁ½Ì¨£¬ÐÇ - Èý½Ç¼õѹÆð¶¯ºóȫѹÔËÐУ¬Îªµä·¶µÄ¿ÕÔØÆô¶¯£¬È«ËÙÔËÐС£Ôϵͳ¹¤¿ö±£´æÈçÏµļ¸¸öµä·¶ÎÊÌâ :
1¡¢Ö÷µç»úʱ³£¿ÕÔØ»òÇáÔØÂúËÙÔËÐÐ , Êô·Ç¾¼ÃÔËÐÐ , µçÄÜÆÌÕÅÑÏÖØ¡£
2¡¢Ö÷µç»úËäÈ»ÐÇ - ½Ç¼õѹÆð¶¯£¬µ«Æð¶¯Ê±µÄµçÁ÷ÈÔÈ»ºÜ´ó , »áÓ°ÏìµçÍøµÄÎȹ̼°Í¬¹©µçÖ§ÏßÉÏËüÓõç×°±¸µÄÔËÐÐÇå¾²¡£
3¡¢Ö÷µç»ú ¹¤ÆµÔË ÐÐʱ£¬¿Õѹ»úÔëÒô´ó¡£
¶þ¡¢±äƵˢÐÂÒªÇó
ƾ֤Թ¤¿ö±£´æµÄÎÊÌⲢ͎áÉú²ú¹¤ÒÕÒªÇó , ¿Õѹ»ú±äƵˢкóϵͳӦ֪×ãÒÔÏÂÒªÇó :
1¡¢±äƵµ÷ËÙˢкóÓ¦¼á³Ö´¢Æø¹Þ³ö¿ÚѹÁ¦ÎÈ¹Ì , ѹÁ¦²¨¶¯¹æÄ£²»¿ÉÁè¼Ý± 0.02Mpa ¡£
2¡¢ÏµÍ³Ó¦¾ßÓÐ±äÆµºÍ¹¤ÆµÁ½Ì׿ØÖÆ»ØÂ·£¬ÒÔ°ü¹Ü±äƵ»ØÂ·¹ÊÕÏʱÄÜѸËÙÇл»µ½¹¤Æµ¡£
3¡¢ÏµÍ³¾ßÓпª»·ºÍ±Õ»·Á½Ì׿ØÖÆ»ØÂ·£¬Ñ¹Á¦±Õ»· PID µ÷ÀíÓɱ䯵Æ÷×ÔÉíÍê³É¡£
4¡¢Ò»Ì¨±äƵÆ÷Äܹ»¿ØÖÆÁ½Ì¨¿Õѹ»ú×é , ¿ÉÓÃת»»¿ª¹ØÇл»¡£
5¡¢Æ¾Ö¤¿Õѹ»úµÄ¹¤¿öÒªÇó , ϵͳӦ°ü¹ÜµçÄîÍ·¾ßÓкãת¾ØÔËÐÐÌØÕ÷¡£
6¡¢ÏÖ³¡µÄË¢ÐÂÒªÖª×ã EMC ÒªÇ󣬲»¿ÉÔì³É×ÔÉí×ÌÈÅ»ò×ÌÈÅÆäËû×°±¸¡£
7¡¢Ë¢Ðºóµç»úÈÆ×éζȺ͵ç»úµÄÔëÒô²»Áè¼Ýµç»úÔÊÐíµÄ¹æÄ£¡£
Èý¡¢±äƵÆ÷µÄÑ¡ÐÍ
ƾ֤ÉÏÊöÔÔò£¬³§¼Ò¾Óɶ෽µ÷ÑС¢½ÏÁ¿ , ×îºóÑ¡Ôñ°¬¸¥É±´²©ballbet¹ÙÍøµçÆøMV300G ϵÁÐͨÓÃÐÍ±äÆµÆ÷ , ʹ¸ÃϵͳÄܹ»Öª×ãÉÏÊö¹¤¿öÒªÇó¡£
1¡¢MV300G ΪµçÁ÷ʸÁ¿ÐÍ±äÆµÆ÷£¬µÍƵÁ¦¾Ø´ó£¬¹ýÔØÄÜÁ¦Ç¿£¬ÔÚ 10Hz ÒÔÉÏ 1.5 ±¶µÄ¶î¶¨¸ºÔØ¿ÉÊÂÇé 2min ÒÔÉÏ¡£
2¡¢MV300G 75kW ÒÔÉϱêÅäÖ±Á÷µç¿¹Æ÷£¬¿ÉÓÐÓýµµÍÊäÈë²àг²¨£¬ïÔÌ×ÌÈÅ¡£
3¡¢MV300G ¿É½ÓÊܵÄÊäÈëµçѹ¹æÄ£²¨¶¯´ó£¬´Ó½»Á÷ 324 £ 520V ¶¼¿ÉÒÔÕý³£ÊÂÇé
4¡¢¿Í»§¿¼²ìÁË±äÆµÆ÷µÄÖ÷ÒªÒªº¦Æ÷¼þ£¬ÈçÕûÁ÷ÇÅ£¬Äæ±äÄ£¿é£¬µçÈÝ£¬Ö÷оƬµÈ£¬ËùÓнÓÄÉÌìÏÂ×ÅÃûÆ·ÅÆ£¬ÊDzúÆ·¿É¿¿ÐԵĻù±¾°ü¹Ü¡£
5¡¢Ë¼Á¿µ½ÒÔºóÕû¸ö¹¤³§×Ô¶¯»¯µÄÉý¼¶£¬ÒªÇó±äƵÆ÷Äܹ»ÄÚÖà PROFIBUS-DP ×ÜÏßºÍ CANOPEN ×ÜÏß¡£
6¡¢³öÓÚά»¤ºÍÊÛºóµÄ˼Á¿£¬¿Í»§ÒªÇó±äƵÆ÷ÄÚ¹ºÄÚÖà 90kW ºÍ 75kW Á½Ì×µç»ú²ÎÊý
Ϊ´Ë£¬¿Í»§Ñ¡ÔñÁË MV300G-4T90 µÄ±äƵÆ÷Á½Ì¨¡£
ËÄ¡¢Ë¢Ð¼ƻ®ÔÀí
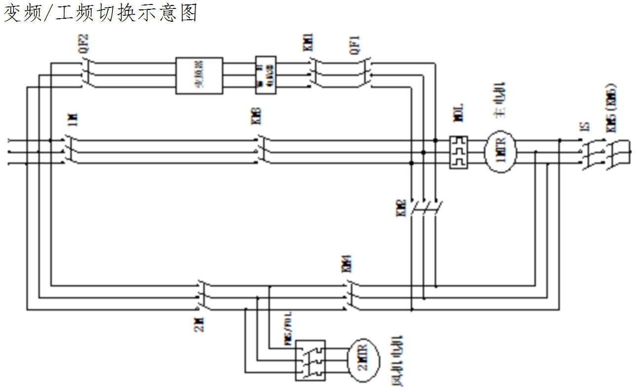
±äƵÆ÷½ÓÏßʾÒâͼ
Óɱ䯵Æ÷¡¢Ñ¹Á¦±äËÍÆ÷¡¢µ÷ÀíÒÇ¡¢µç»ú¡¢ÂÝÐýת×Ó×é³ÉѹÁ¦±Õ»·¿ØÖÆÏµÍ³×Ô¶¯µ÷Àíµç»úתËÙ , ʹ´¢Æø¹ÞÄÚ¿ÕÆøÑ¹Á¦ÎȹÌÔÚÉ趨¹æÄ£ÄÚ , ¾ÙÐкãѹ¿ØÖÆ¡£ÏµÍ³×é³ÉÈçÏÂͼËùʾ¡£

·´ÏìѹÁ¦ÓëÉ趨ѹÁ¦¾ÙÐнÏÁ¿ÔËË㣬ʵʱ¿ØÖÆ±äÆµÆ÷µÄÊä³öƵÂÊ,´Ó¶øµ÷Àíµç»úתËÙ,ʹ´¢Æø¹ÞÄÚ¿ÕÆøÑ¹Á¦ÎȹÌÔÚÉ趨ѹÁ¦ÉÏ¡£

ͼÖÐQF1¡¢QF2ÊÇ¿ÕÆø¿ª¹Ø,Æð¸ôÀë×÷ÓÃ,ͬʱQF2Ò²ÊÇ±äÆµ¹ñµÄµçÔ´¿ª¹Ø;KM1¡¢KM3¡¢ºÍKM2¡¢KM4ÊÇÁ½¶Ô»úеÁªËø½Ó´¥Æ÷,Æð¸ôÀë×÷ÓᣱäƵʱ,KM1¡¢KM2ͬʱÎüºÏ,KM3¡¢KM4ͬʱ¶Ï¿ª;¹¤ÆµÊ±KM3¡¢KM4ͬʱÎüºÏ,KM1¡¢KM2ͬʱ¶Ï¿ª¡£±äƵÔËÐгÌÐò:½«QF1¡¢QF2ºÏÉÏ,ÓÉ¿ØÖÆ»ØÂ·½«KM3¡¢KM4¶Ï¿ª,KM1¡¢KM2ÎüºÏ,È»ºóÆð¶¯ÏµÍ³±äƵÔËÐÐ;¹¤ÆµÔËÐгÌÐò:½«QF1¡¢QF2¶Ï¿ª,ÓÉ¿ØÖÆ»ØÂ·½«KM3¡¢KM4ÎüºÏ,KM1¡¢KM2¶Ï¿ª,»Ö»Ø¸´À´¹¤ÆµÔËÐз½·¨¡£ÊäÈëµç¿¹Æ÷µÄ×÷ÓÃÊÇÒÖÖÆ±äƵÆ÷¶ÔÆäËü¿ØÖÆµçÆø×°±¸µÄ×ÌÈÅ,Êä³öµç¿¹Æ÷µÄ×÷ÓÃÊǸÄÉÆ±äƵÆ÷Êä³ö²¨ÐÎ,ïÔ̵ç»ú±äƵÔËÐÐʱµÄÔëÉù,¼õСµç»ú±äƵÔËÐÐʱ·¢ÈÈ¡£ÆäÖÐ1MΪԹ¤ÆµÖ÷»ØÂ·½Ó´¥Æ÷,2MΪԹ¤ÆµÖ÷»ØÂ·¼°·ç»ú»ØÂ·½Ó´¥Æ÷,1SΪԹ¤Æµ»ØÂ·½Ó´¥Æ÷(1M¡¢2M¡¢1SÈýÕß×é³ÉÔ¹¤ÆµÐÇ½ÇÆð¶¯Ö÷»ØÂ·),KM5¡¢KM6»®·ÖΪ1#ºÍ2#»ú×é¸ôÀë½Ó´¥Æ÷¡£
Î塢ϵͳµ÷ÊÔ
µ÷ÊÔÊÂÇé·Ö³ÉÁ½²¿·Ö:
1¡¢±äƵÆ÷Çý¶¯µç»úµ÷ÊÔ£¬°ü¹Ü±äƵÆ÷Çý¶¯µçÐÔÄÜÕý³£¼ÓËÙ£¬¼õËÙ£¬ºãËÙÔËÐУ¬±äƵÆ÷µçÁ÷ÎȹÌÎÞÕðµ´£¬µç»úÊÂÇéÕý³£¡£´ËʱÐèÒªÊÓ²ì¿Õѹ»úµÄѹÁ¦ÉÏÉýÊÇ·ñÎȹÌ,ѹÁ¦±äËÍÆ÷ÏÔʾÊÇ·ñÕý³£,×°±¸Í£»úÊÇ·ñÕý³£µÈ¡£
±äƵÆ÷²ÎÊýÉ趨
|
¹¦Ð§Âë |
Ãû³Æ |
É趨 |
ÒâÒå |
|
|
P02.00 |
µç»úÓëģʽѡÔñ |
2 |
Òì²½µç»ú£¬V/F |
|
|
P02.02 |
¿ØÖÆ·½·¨ |
1 |
¶Ë×Ó¿ØÖÆ |
|
|
P02.04 |
Ö÷¸ø¶¨ÆµÂÊÔ´ |
5 |
Àú³Ì±Õ»·PID |
|
|
P09.01 |
X2¶Ë×Ó¹¦Ð§ |
22 |
¹ÊÕϸ´Î»ÊäÈë |
|
|
P12.01 |
½ÚÄÜÔËÐÐ |
1 |
½ÚÄÜģʽ·¿ª |
|
|
P14.00 |
PID¸ø¶¨Í¨µÀ |
2 |
AI2 |
|
|
P14.01 |
PID·´ÏìͨµÀ |
0 |
AI1 |
2¡¢Ï½µµÍª¶¯µ÷ÊÔ¡£
ÔÚÍê³É±äƵÆ÷Çý¶¯µç»úµ÷½âºó,¾ÙÐÐϽµµÍª¶¯µ÷ÊÔ¡£µ÷ÊÔµÄÖ÷Òª°ì·¨:
¢Ù ½«±äƵÆ÷½ÓÈëϵͳ¡£
¢Ú ¾ÙÐй¤ÆµÅÔ·µÄÔËÐС£
¢Û ¾ÙÐÐ±äÆµ»ØÂ·µÄÔËÐÐ,ÆäÖаüÀ¨¿ª»·Óë±Õ»·¿ØÖÆÁ½²¿·Öµ÷ÊÔ:
Ö÷ÒªÒÀ¾Ý±äƵÆ÷ƵÂÊÉÏÉýÓëϽµµÄËÙÂʺͿÕѹ»úѹÁ¦µÄÉý½µÏàÆ¥Åä,²»Òª±¬·¢Ñ¹Á¦Õñµ´,»¹Òª×¢ÖØÊÓ²ì»úе¹²Õñµã,½«¹²ÕñµãÖÜΧµÄƵÂÊÌøÒÑÍù£¬ÒÔ¼°Í£»ú״̬Ï¿´ÄÜ·ñ˳ËìÇл»µ½¹¤Æµ×´Ì¬£¬Õâ¸öÖ÷ÒªÊÇÑé֤ϵͳµÄ½ÓÏßÇéÐΡ£
Áù¡¢¿Õѹ»ú±äƵˢкóµÄÐ§Òæ
1¡¢½ÚÔ¼ÄÜÔ´
±äƵÆ÷¿ØÖÆÑ¹Ëõ»úÓë¹Å°å¿ØÖƵÄѹËõ»ú½ÏÁ¿,ÄÜÔ´½ÚÔ¼ÊÇÓÐÏÖʵÒâÒåµÄ£¬Æ¾Ö¤¿ÕÓîÁ¿ÐèÇóÀ´¹©Ó¦µÄѹËõ»ú¹¤¿öÊǽÏΪ¾¼ÃµÄÔËÐÐ״̬¡£Ï±íÊÇÖ÷»úΪ75kwµÄ¿Õѹ»úË¢ÐÂǰºóµç»úµÄ²âÊÔ²ÎÊý±í:
|
µçÁ÷£¨A£© |
µçѹ£¨V£© |
ƵÂÊ£¨Hz£© |
ÏÖʵ¹¦ÂÊ£¨KW£© |
½ÚµçÂÊ£¨%£© |
|
|
Ë¢ÐÂǰ |
122 |
380 |
50 |
65.3 |
0 |
|
ˢкó |
110 |
221 |
29 |
38.1 |
41.9 |
´ÓÉϱí¿É֤ʵ,½ÚµçЧ¹ûÊ®Ã÷È·ÏÔ¡£ÈôÊÇ¿Õѹ»úÿÄê°´300ÌìÊÂÇéÈÕÅÌËã,ÔòÿÄê¿É½ÚÔ¼µçÄÜ19.58Íò¶È¡£
2¡¢ÔËÐб¾Ç®½µµÍ
¹Å°åѹËõ»úµÄÔËÐб¾Ç®ÓÉÈýÏî×é³É:³õʼ²É¹º±¾Ç®¡¢Î¬»¤±¾Ç®ºÍÄÜÔ´±¾Ç®¡£ÆäÖÐÄÜÔ´±¾Ç®Ô¼ÄªÕ¼Ñ¹Ëõ»úÔËÐб¾Ç®µÄ77%¡£Í¨¹ýÄÜÔ´±¾Ç®½µµÍ41.9%,ÔÙ¼ÓÉÏ±äÆµÆð¶¯ºó¶Ô×°±¸µÄ¹¥»÷ïÔÌ,ά»¤ºÍάÐÞÁ¿Ò²×·Ëæ½µµÍ,ÒÔÊÇÔËÐб¾Ç®½«´ó´ó½µµÍ¡£
3¡¢Ìá¸ßѹÁ¦¿ØÖƾ«¶È
±äƵ¿ØÖÆÏµÍ³¾ßÓÐ׼ȷµÄѹÁ¦¿ØÖÆÄÜÁ¦¡£Ê¹Ñ¹Ëõ»úµÄ¿ÕÆøÑ¹Á¦Êä³öÓëÓû§¿ÕÆøÏµÍ³ËùÐèµÄÓîÁ¿ÏàÆ¥Åä¡£±äƵ¿ØÖÆÑ¹Ëõ»úµÄÊä³öÓîÁ¿Ëæ×ŵç»úתËÙµÄ¸Ä±ä¶ø¸Ä±ä¡£ÓÉÓÚ±äÆµ¿ØÖƵç»úËÙÂʵľ«¶ÈÌá¸ß,ÒÔÊÇËü¿ÉÒÔʹ¹ÜÍøµÄϵͳѹÁ¦×ª±ä¼á³ÖÔÚ3pisgת±ä¹æÄ£,Ò²¾ÍÊÇ0.2bar¹æÄ£ÄÚ,ÓÐÓõØÌá¸ßÁ˹¤¿öµÄÖÊÁ¿¡£
4¡¢ÑÓÉìѹËõ»úµÄʹÓÃÊÙÃü
±äƵÆ÷´Ó0HzÆð¶¯Ñ¹Ëõ»ú,ËüµÄÆð¶¯¼ÓËÙʱ¼ä¿ÉÒÔµ÷½â,´Ó¶øïÔÌÆð¶¯Ê±¶ÔѹËõ»úµÄµçÆ÷²¿¼þºÍ»úе²¿¼þËùÔì³ÉµÄ¹¥»÷,ÔöǿϵͳµÄ¿É¿¿ÐÔ,ʹѹËõ»úµÄʹÓÃÊÙÃüÑÓÉì¡£±ðµÄ,±äƵ¿ØÖÆÄܹ»ïÔÌ»ú×éÆð¶¯Ê±µçÁ÷²¨¶¯,ÕâÒ»²¨¶¯µçÁ÷»áÓ°ÏìµçÍøºÍÆäËü×°±¸µÄÓõç,±äƵÆ÷Äܹ»ÓÐÓõĽ«Æð¶¯µçÁ÷µÄ·åÖµïÔ̵½½ÏµÍˮƽ¡£
5¡¢½µµÍÁË¿Õѹ»úµÄÔëÒô
ƾ֤ѹËõ»úµÄ¹¤¿öÒªÇó,±äƵµ÷ËÙˢкó,µç»úÔËתËÙÂÊÏÔ׿õÂý,Òò´ËÓÐÓõؽµÁË¿Õѹ»úÔËÐÐʱµÄÔëÒô¡£ÏÖ³¡²â¶¨Åú×¢,ÔëÒôÓëÔϵͳ½ÏÁ¿Ï½µÔ¼5·Ö±´¡£