Ò»¡¢Ð¡Ðò
Á÷ÑÓ±¡Ä¤¾ßÓÐÓÅÔ½µÄÈÈ·âÐÔÄܺÍÓÅÁ¼µÄ͸Ã÷ÐÔ£¬ÊÇÖ÷ÒªµÄ°ü×°¸´ºÏ»ù²ÄÖ®Ò»£¬ÓÃÓÚÉú²ú¸ßÎÂÕôÖóĤ¡¢Õæ¿Õ¶ÆÂÁĤµÈ£¬Êг¡¼«Îª¿´ºÃ¡£Ëæ×ź£ÄÚÁ÷ÑÓĤÊг¡µÄÐèÇóÌáÉý£¬ÏȽøµÄÁ÷ÑÓĤ»úÒ²ÓÐÁËÁÉÀ«µÄÊг¡£¬×Ô¶¯»¯µÄÁ÷ÑÓĤÉú²úÏßÓÐ×Å×ÆË¸µÄÔ¶¾°¡£
Á÷ÑÓĤ¼·³ö»úͨ¹ý¼ÓÈÈÖÊÁÏ£¬¼·Ñ¹ÖÊÁϽ¬£¬Ñ¹ÖÆÀäÈ´£¬ÊÕ¾í°ü×°µÈÀú³Ì£¬½«ÖÊÁÏ¿ÅÁ£»ò·ÛÄ©¼Ó¹¤³ÉÁ÷ÑÓĤ²úÆ·¡£
¶þ¡¢¿ØÖÆÒªÇó
²î±ðÖÊÁϵÄÌí¼ÓÁ¿¿ØÖÆ
ģͷ¼ÓÈÈÎÂ¶È¼à¿ØÓëµ÷Àí
Ç£Òý¹õ¡¢ÀäÈ´¹õ¡¢Ñ¹»¨¹õͬ²½
ÊÕ¾íÕÅÁ¦·´Ïì¡¢µ÷Àí
ƾ֤ÊÕ¾í³¤¶È¾ÙÐÐÇи»»¾í¿ØÖÆ
Èý¡¢¿ØÖƼƻ®

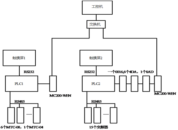
Òò¸ÃÉú²úÏß½ÏÁ¿³¤£¨´©¹ýÈý¸ö·¿¼ä£©£¬±¾ÏµÍ³°Ñ¼ÓÈȲ¿·ÖºÍ´«¶¯²¿·Ö»®·Ö¾ÙÐе¥¶À¿ØÖÆ¡£¼ÓÈȲ¿·Öͨ¹ýÍâµØ´¥ÃþÆÁ×ÔÁ¦¿ØÖƼÓÈÈ£¬´«¶¯²¿·ÖÔòͨ¹ýÍâµØ´¥ÃþÆÁ¾ÙÐе¥¶¯ºÍÁª¶¯²Ù×÷¡£
ͬʱ£¬ÔÚÖпØÊÒÀïͨ¹ý°¬¸¥É±´²©ballbet¹ÙÍøµçÆø¹«Ë¾µÄ×é̬Èí¼þ ViewPanel ¶ÔÕû¸öÁ÷ÑÓĤ¿ØÖÆÏµÍ³¾ÙÐвÙ×÷¡£¼ÓÈÈ¡¢´«¶¯¡¢ÖпØÊÒÖ®¼ä½ÓÄÉÒÔÌ«ÍøµÄ·½·¨¾ÙÐÐͨѶ¡£
´«¶¯ÏµÍ³£º PLC ¿ØÖÆ±äÆµÆ÷£¬µ÷ÀíιÁϵç»úµÄתËÙ£¬ÊµÏÖÖÊÁÏÌí¼ÓÁ¿µÄ¿ØÖÆ¡£µ÷ÀíתËÙ¼á³ÖÇ£Òý¹õ¡¢ÀäÈ´¹õ¡¢Ñ¹»¨¹õµÄͬ²½¡£
¼ÓÈÈϵͳ£ºÍ¨¹ý MTC οØÄ£¿é¿ØÖÆÕûÌåιÁÏ¡¢¼·³öµÈµÄζȡ£ MTC ×Ô´ø PID ¿ØÖÆ£¬¿É׼ȷ¡¢Àû±ãµÄ¿ØÖÆ50·Î¶ȡ£






ËÄ¡¢×ܽá
1 ¡¢MC200ϵÁÐPLCÅÌËãËÙÂʿ죬ÎȹÌÐԸߡ£
2 ¡¢×Ó³ÌÐò¹¦Ð§£¬ÎÞÐ轫³ÌÐòÈ«·ÅÔÚÖ÷³ÌÐòÖÐÍêȫɨÃ裬ïÔÌÁ˳ÌÐòµ÷ÊÔÖÜÆÚÒÔ¼°É¨Ãèʱ¼ä¡£
3 ¡¢Í¨¹ý±ê×¼ Modbus ÍøÂç¿ØÖÆ±äƵÆ÷£¬½µµÍ±¾Ç®£¬¿¹×ÌÈÅÐԺá£
4 ¡¢ ViewPanel ÊÇÒ»¿î°¬¸¥É±´²©ballbet¹ÙÍøµçÆø×é̬Èí¼þ£¬Óë°¬¸¥É±´²©ballbet¹ÙÍøµçÆø MZ600 ϵÁд¥ÃþÆÁÎÞ·ìÅþÁ¬¡£¼´ ViewPanel Óë MZ600 ´¥ÃþÆÁ¹²Óà View Builder ¿ª·¢Æ½Ì¨¡£Éè¼ÆÕ߱༺ýçÃæºó£¬¿É×ÔÓÉÑ¡ÔñʹÓô¥ÃþÆÁ»òÊÇʹÓÃ×é̬Èí¼þÀ´ÔËÐпØÖÆ£¬¶øÎÞÐèÖØ¸´Éè¼Æ½çÃæ¡£
5 ¡¢ MTC ÊÇÒ»¿î°¬¸¥É±´²©ballbet¹ÙÍøµçÆø×ÔÖ÷Ñз¢µÄζȿØÖÆÆ÷£¬×Ô´ø PID ×ÔÕû¶¨ºÍ¶à¶ÎζȿØÖƹ¦Ð§£¬¿ØÎ¾«¶È¸ß¡£